Аренда телевизора для временного использования: советы и рекомендации
Аренда телевизора для временного использования становится все более популярной, особенно для мероприятий и событий,
Узнайте, как легко поддерживать чистоту в салоне авто! Секреты и лайфхаки для идеального порядка
Сегмент SUV остается крупнейшим на авторынке РФ, но его доля сокращается. Это установили эксперты
Центробанк, понимая всю серьезность ситуации для бизнеса, уже на следующем заседании примет решение о
Согласно собственному бизнес-плану, Нефтекамский автозавод (НЕФАЗ) планирует выпустить в 2025 году 1,7 тыс. единиц
По итогам 2024 операционная прибыль британского производителя люксовых автомобилей Bentley составила 373 млн евро.
Хотите, чтобы ваша машина сияла как новая? ✨ Узнайте, как сделать **шлифовку кузова** своими
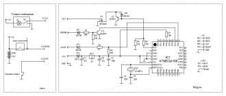
Хотите, чтобы свет в вашей машине гас как по волшебству? Узнайте, как плавное выключение
Боитесь автосервисов? Узнайте, как правильно заполнить заказ-наряд на ремонт автомобиля и защитить свои права!
Забудьте о бензине! Электромобиль без двигателя – это мощь, экология и стиль в